Fig. KV-L7NFAIFM
Kogelkraan PN40/16
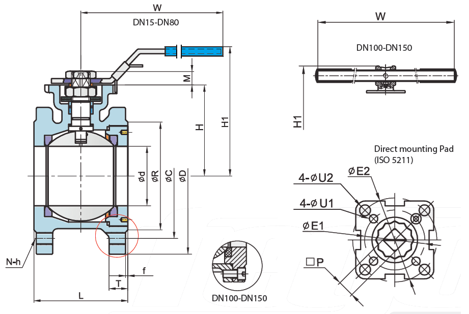
- Compacte kogelkraan met flensaandluiting PN40/16
- Volle doorlaat
- Huis in staal 1.0619 (WCB)
- Kogel van roestvaststaal 1.4408
- Zitting in TFM1600
- Voor tussenbouw tussen flenzen - PN 40/16
- Met ISO montageflens conform ISO 5211
- Temperatuurbereik: -29°C tot +175°C
- TA Luft-gecertificeerd
- ATEX Ex II 2 GD c T3 conform
- SIL IEC 61508-1/2/4-7:2010 & IEC 61511-1:2016
- Met hendel
- Art. KV-L7NFAIFM
Opgebouwd verkrijgbaar met:
- Handbediend met eindsignalering / standmelding
- Actreg ADA dubbelwerkende aandrijving, Art. KV-L7NFAIFMAD
- Actreg ASR enkelwerkende aandrijving, Art. KV-L7NFAIFMAS
- El-O-Matic ED/PD dubbelwerkende aandrijving, Art. KV-L7NFAIFMFD
- El-O-Matic ED/PD dubbelwerkende aandrijving, Art. KV-L7NFAIFMFS
- J+J electrische aandrijving, Art. KV-L7NFAIFMJ4C
- Bernard electrische aandrijving, Art. KV-L7NFAIFMOA



